Ankerstang

fischer Artikelnummer: 97704 FHB II-A S M10 X 60/10 1.4529 (10 STUKS)

€406,75 €336,16 excl. BTW

Op bestelling

Dit product kan enkel op bestelling gekocht worden per 10 eenheden.

Aantal moet veelvoud van 10 zijn.

  • 14 dagen bedenktijd
  • Gratis verzending vanaf 149 euro
  • 2 échte winkels met serviceafdeling

Stel een vraag over dit product

Contacteer ons

Productomschrijving

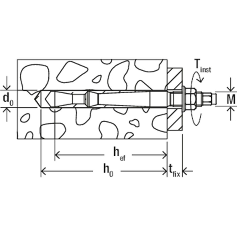
De fischer Highbond-ankerstang FHB II-A S C wordt gemaakt van uitermate corrosiebestendig staal. Het krachtgecontroleerde spreidende chemisch anker kan in combinatie met de injectiemortel FIS HB of de mortelpatronen FHB II-P en FHB II-PF HIGH SPEED worden verwerkt. Tijdens het vastdraaien van de zeskante moer worden de kegels van de ankerstang in de mortelschaal getrokken, die tegen de wand van het boorgat aan worden opgespannen. Met het fischer Highbond-systeem FHB II worden consoles, en staalconstructies en verkeersbordportalen in in uiterst corrosieve omstandigheden op betrouwbare wijze bevestigd.


Productinformatie

  • Merk

    fischer

  • Artikelnummer

    97704

  • EAN

    4006209977040


Specificaties

  • Boordiameter

    10 mm

  • Nuttige lengte

    10 mm

  • Lengte

    96 mm

  • Draad

    M 10

  • Metrisch draad

    M 10

  • Max. dikte aanbouwdeel

    10 mm

  • Soort verpakking

    Doos

  • Materiaal

    hoog corrosiewerend staal 1.4529

  • Boorgatdiepte

    75 mm

  • Verankeringsdiepte

    60 mm

  • Nl translation missing

    10

  • Gebruiksvoorwaarden

    Bijzonder agressieve omgeving

  • Uitvoering

    Speciale draadstang

  • Materiaal / corrosiebescherming

    Hoog corrosiewerend staal, corrosieweerstandsklasse IV

  • Oppervlaktebescherming

    Geen (onbehandeld)

  • Schaaldelen mortel

    3

  • Vds-approval

    Ja

  • Content

    10

  • Eta-approval

    Ja

  • Sleutelwijdte

  • Draadmaat (metrisch)

  • Met buitendraad

  • Dieptemarkering

Varianten

  •  Voor 12.00 uur besteld, vandaag verzonden*
  • 2 échte winkels
  • Collega's met productkennis
  • Service na verkoop