Ankerstang dynamisch

fischer Artikelnummer: 92039 FHB-A DYN 12 X 50 V (10 STUKS)

€238,43 €197,05 excl. BTW

Op bestelling

Dit product kan enkel op bestelling gekocht worden per 10 eenheden.

Aantal moet veelvoud van 10 zijn.

  • 14 dagen bedenktijd
  • Gratis verzending vanaf 149 euro
  • 2 échte winkels met serviceafdeling

Stel een vraag over dit product

Contacteer ons

Productomschrijving

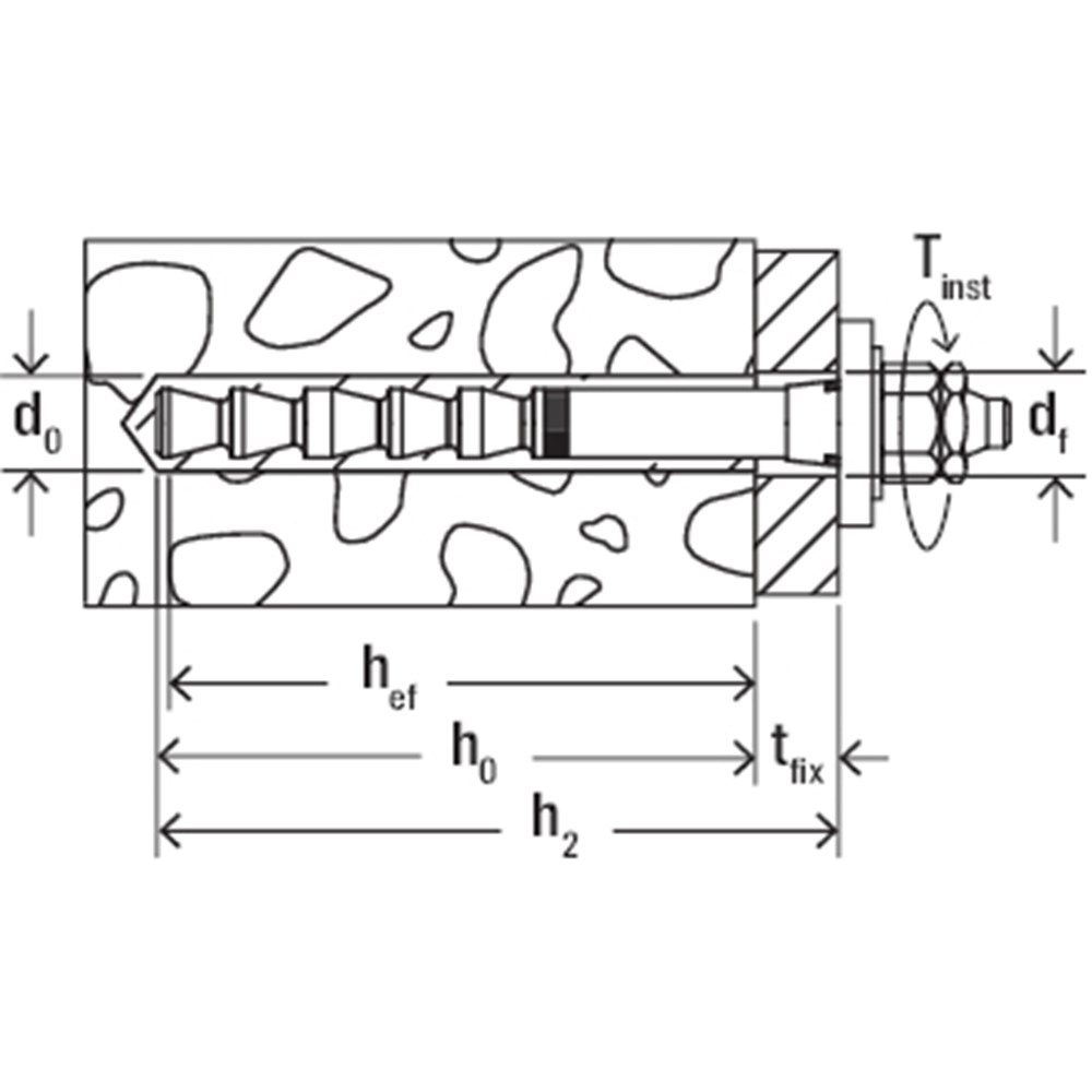
Het fischer Highbond-anker dynamisch FHB-A dynamisch V wordt van gegalvaniseerd staal vervaardigd. Voor het opnemen van de sterkste dwarskrachten is de draadstang bij de schacht verstevigd met een huls. Het gecontroleerd spreidend chemisch anker wordt met de speciale Injectiemortel FIS HB verwerkt. Tijdens het vastdraaien van de zeskante moer worden de kegels van de ankerstang in de mortelschaal getrokken, die tegen de wand van het boorgat aan worden opgespannen. De Injectiemortel FIS HB sluit bij de montage de ringspleet in het montagestuk en garandeert een optimale lastverdeling. Zo kunnen dynamische zwel- en wisselende belastingen worden opgenomen. Het fischer Highbond-anker dynamic FHB-A dynamisch V is bijzonder geschikt voor het bevestigen van geleiderails van bijvoorbeeld takels, industriële robots of portaal- en bovenloopkranen in fabriekshallen.


Productinformatie

  • Merk

    fischer

  • Artikelnummer

    92039

  • EAN

    4006209920398


Specificaties

  • Boordiameter

    14 mm

  • Sleutelwijdte

    19 mm

  • Lengte

    180 mm

  • Draad

    M 12 mm

  • Metrisch draad

    M 12

  • Soort verpakking

    Doos

  • Materiaal

    Overig

  • Verankeringsdiepte

    105 mm

  • Gebruiksvoorwaarden

    Binnenshuis

  • Uitvoering

    Speciale draadstang

  • Materiaal / corrosiebescherming

    Elektrolytisch verzinkt

  • Vds-approval

    Ja

  • Content

    10

  • Draadmaat (metrisch)

    12

Varianten

  •  Voor 12.00 uur besteld, vandaag verzonden*
  • 2 échte winkels
  • Collega's met productkennis
  • Service na verkoop