Nagelanker

fischer Artikelnummer: 44122 FNA II 6X30/5 R NAGELANKER (100 STUKS)

€508,44 €420,20 excl. BTW

Op bestelling

Dit product kan enkel op bestelling gekocht worden per 100 eenheden.

Aantal moet veelvoud van 100 zijn.

  • 14 dagen bedenktijd
  • Gratis verzending vanaf 149 euro
  • 2 échte winkels met serviceafdeling

Stel een vraag over dit product

Contacteer ons

Productomschrijving

Het fischer Nagelanker FNA II 6 met nagelkop is vervaardigd van roestvast staal. De FNA II wordt met slechts enkele tikken en dus tijdbesparend in de doorsteekmontage aangebracht. Bij belasting spreidt de FNA II zich automatisch uit. Daarbij wordt de conus in de spreidclip getrokken en spant deze tegen de wand van het boorgat. Het fischer Nagelanker FNA II 6 met nagelkop wordt vooral voor de bevestiging van montagerails en onderconstructies van hout of metaal buitenshuis gebruikt.


Productinformatie

  • Merk

    fischer

  • Artikelnummer

    44122

  • EAN

    4006209441220


Specificaties

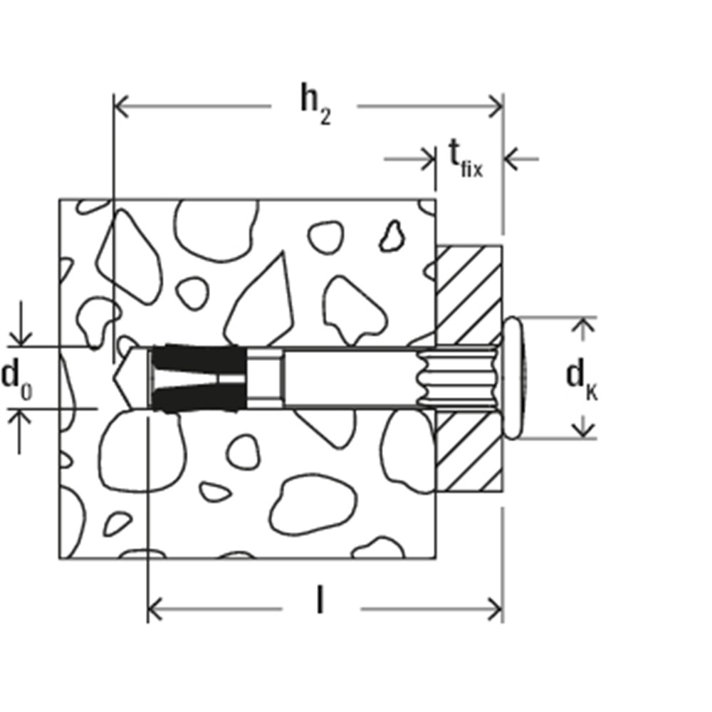
  • Boordiameter

    6 mm

  • Pluglengte

    42,5 mm

  • Min. boorgatdiepte

    45 mm

  • Nuttige lengte

    5 mm

  • Min. boorgatdiepte bij doorsteekmontage

    45 mm

  • Max. dikte aanbouwdeel

    5 mm

  • Kop-ø

    13,0 mm

  • Soort verpakking

    Doos

  • Materiaal

    Roestvast staal

  • Alternatief

    Roestvast staal A4, corrosieweerstandsklasse III

  • Materiaal / corrosiebescherming

    Roestvast staal A4, corrosieweerstandsklasse III

  • Oppervlaktebescherming

    Geen (onbehandeld)

  • Brandveiligheid fout

    Ja

  • Vds-approval

    Ja

  • Content

    100

  • Eta-approval

    Ja

  • Zelfborend

    Nee

  • Toelaatbare last trekzone

    1,2 kN

  • Certificaten / goedkeuringen

    ETA

  • 3d-cad-model

    Ja

  • Profi / diy

    Profi

Varianten

  •  Voor 12.00 uur besteld, vandaag verzonden*
  • 2 échte winkels
  • Collega's met productkennis
  • Service na verkoop