Renovatieanker

fischer Artikelnummer: 514243 MECHANISCH SPOUWMUURANKER VBS-M 8X120 (100 STUKS)

€283,33 €234,16 excl. BTW

Op bestelling

Dit product kan enkel op bestelling gekocht worden per 100 eenheden.

Aantal moet veelvoud van 100 zijn.

  • 14 dagen bedenktijd
  • Gratis verzending vanaf 149 euro
  • 2 échte winkels met serviceafdeling

Stel een vraag over dit product

Contacteer ons

Productomschrijving

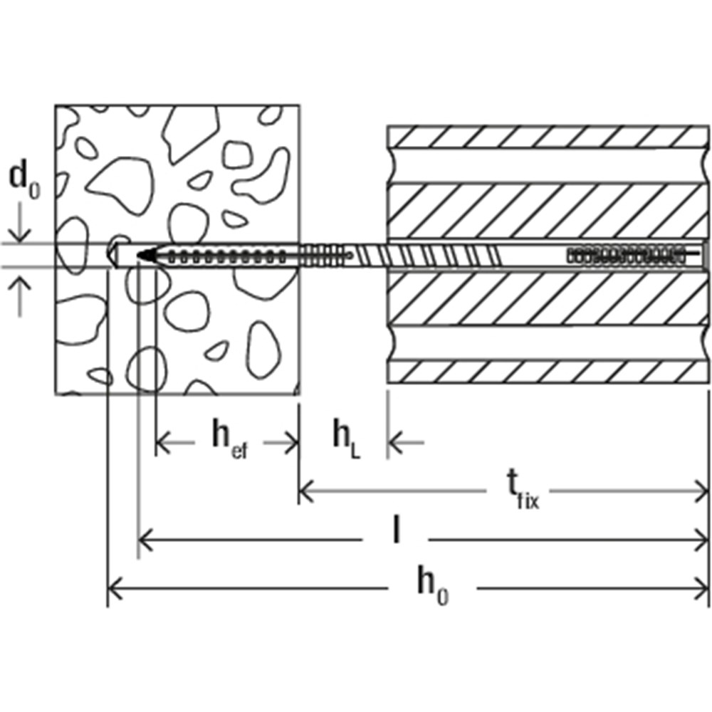
Het fischer Renovatieanker VBS-M is een mechanisch systeem voor het achteraf realiseren van een goedgekeurde bevestiging van renovatiemetselwerk met en zonder luchtspouw. Het systeem bestaat uit een kunststof huls met een tweevoudige spreidzone en een schroef van gegalvaniseerd staal. De VBS-M wordt in de tijdbesparende doorsteekmontage in de draagmuur en het renovatiemetselwerk aangebracht. De twee spreidzones van de plug zorgen voor een betrouwbare bevestiging in de draagmuur en in de voorste muur. Want pas nadat de plug zich in de draagmuur heeft vastgezet, wordt hij in het renovatiemetselwerk gefixeerd. Het fischer Renovatieanker VBS-M is vooral geschikt voor een snelle renovatie van dubbelwandig metselwerk, waarop later een isolatiesysteem wordt aangebracht.


Productinformatie

  • Merk

    fischer

  • Artikelnummer

    514243

  • EAN

    4048962131642


Specificaties

  • Boordiameter

    8 mm

  • Pluglengte

    120 mm

  • Effectieve verankeringsdiepte

    >50 mm

  • Soort verpakking

    Doos

  • Materiaal

    Overig

  • Boorgatdiepte

    140 mm

  • Verankeringsdiepte

    > 50 mm

  • Gebruiksvoorwaarden

    Buitengebied

  • Uitvoering

    Speciale draadstang

  • Montage / eigenschappen

    Doorsteekmontage

  • Certificaten / goedkeuringen

    DIBt goedkeuring

  • Vds-approval

    Ja

  • Content

    100

  • Draadmaat (metrisch)

    8

  • Spouw of isolatie

    20 mm

  • Buitenspouw

    70 mm

  • Boordiepte = verankeringsdiepte

    140 mm

  • Spouw met 115 mm metselwerk vlak afgewerkt

    0 - 20 mm

  • Maximale spouwafstand bij 115 mm dik metselwerk vlak afgewerkt

    20* mm

  • Nominale verankeringsdiepte

    > 50 mm

  • Spouw met 115 mm metselwerk 20 mm verdiept aangebracht

  • Maximale spouwafstand bij 115 mm dik metselwerk 20 mm verzonken aangebracht

  • 3d-cad-model

    Ja

  • Dibt-approval

    Ja

  • Profi / diy

    Profi

  • Bouwmateriaal

    Vol metselwerk

Varianten

  •  Voor 12.00 uur besteld, vandaag verzonden*
  • 2 échte winkels
  • Collega's met productkennis
  • Service na verkoop