Rolschuif

DX Artikelnummer: 0411.360.0105 ROLSCHUIF / 44X100 MM / SCHOOTDIKTE 4 MM / VLAK MODEL / STAAL VERZINKT

€2,12 €1,75 excl. BTW

Op bestelling

Dit product kan enkel op bestelling gekocht worden per 10 eenheden.

Aantal moet veelvoud van 10 zijn.

  • 14 dagen bedenktijd
  • Gratis verzending vanaf 149 euro
  • 2 échte winkels met serviceafdeling

Stel een vraag over dit product

Contacteer ons

Productomschrijving

DX rolschuiven worden voornamelijk gebruikt om een gelijkliggende poort of tuinhek vast te zetten, maar kunnen natuurlijk ook binnenshuis op bijvoorbeeld een voorraadkast of luik worden gebruikt. Deze verzinkte schuiven lopen letterlijk en figuurlijk op (kunststof) rolletjes en zijn verkrijgbaar in vijf verschillende maten (variërend van 100 tot 200 mm). Bovendien zijn ze zeer geschikt voor buitengebruik. Zowel montage als gebruik is kinderlijk eenvoudig. Met schroeven plaats je de schuif met slotoog en het slotplaatje in een handomdraai op het hout, waarna je de schuif snel en eenvoudig dichtschuift.

Het betreft hier een vlak model wat inhoudt dat deze gemaakt is voor gelijkliggende deuren, hekken of poorten. Heb je te maken met een deur die verder naar achteren ligt? Gebruik dan deze rolschuif met bocht. Tot slot is deze schuif zowel links en rechts als horizontaal en verticaal te gebruiken.

Wist je dat er ook een soortgelijke rolschuif bestaat die je af kunt sluiten met een hangslot? Dat is bijvoorbeeld ideaal voor ’s nachts of op afgelegen plekken.


Productinformatie

  • Merk

    DX

  • Artikelnummer

    0411.360.0105

  • EAN

    8714140150939


Specificaties

  • Materiaal

    staal

  • Schootuitslag

    20 mm

  • Schootdikte

    3,5 mm

  • Soort schoot

    vlak model

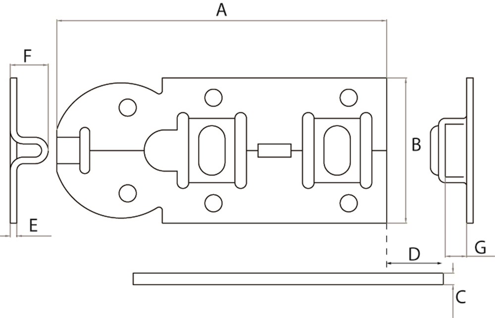
  • E

    2 mm

  • A

    100 mm

  • C

    3,5 mm

  • B

    44 mm

  • Breedte

    44 mm

  • Lengte

    100 mm

  • Hoogte

    11,5 mm

  • Dikte

    2 mm

  • Finish

    verzinkt

  • D

    20 mm

  • G

    6,5 mm

  • F

    11,5 mm

  • Volgorde_item

  • Volgorde_group

    2045

  • Groepsafbeelding

    04113600105.jpg

  • Labelcode

    ZRS 100BV

Varianten

  •  Voor 12.00 uur besteld, vandaag verzonden*
  • 2 échte winkels
  • Collega's met productkennis
  • Service na verkoop